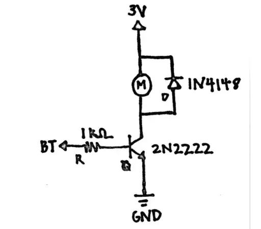
I've got a 3-12V water pump, a raspberry pi, a relay (5V 10A/120VAC, and a breadboard power supply supply 3V-5V.
The questions are :
Is it possible, to rspi to breadboard power supply usb, and a pump to it's 5V output? I don't want to burn rspi 5V, but I'm assuming that when I connect it to independent power supply on breadboard, I can have a nice and safe solution with just one DC cable, am I right?
I also have 4*1.5V AA batteries pack, which I can also use for powering the water pump, but still don't know what's the better & safer solution, and I can't find any tips on connecting this. Can I connect a 6V batteries pack to 5V relay?
What's the best solution guys? I'm very happy that I found this small pump which should be flexible, but don't know how to bite this topic in a best way without crashing any component.


