Hello everyone I am running into some kind of problem. I want to power my Pi 4B+ through the GPIO pins via a buck converter but it just wont work.
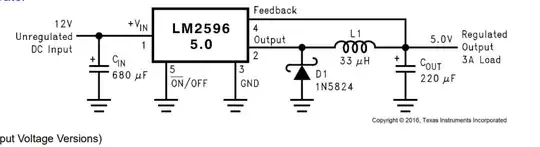
I used the LM2596 non adj 5V buck. In its typical application form. 
And I also bought the LM2596 adj and set it with the potmeter that comes with it. It has a small voltage riple but stays within the 5% of 5V tolerance. And the third thing I tried was to supply it with my bench power supply. I tried al 3 cases with GPIO powering and via a stripped usb c cable but none of them work.
All tries end up with the red led staying on for a couple of seconds while the green led flashes but after that the red led dies.
My bench power supply can supply 4A at 5V and I even tried 5.1V as I read that the RPI adapter supplies that. Picture beneath shows PI 4B+ schematic.
I also tried a 3S High discharge battery but that didnt solve it. Picture beneath shows setup.

I also measured the voltage while its been connected to the Pi. As you can see Vavg is 5.05V, Vmax 5.22V and Vmin 4.85V

