UPDATE : I still can't receive MIDI as of 2019/07/01.
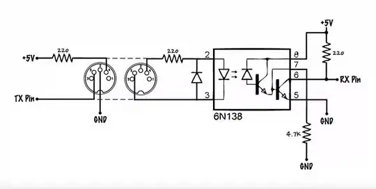
Here goes so far : I'm trying to follow this schematics from instructables, using 6N138. To make it easier, I'm going to copy his schematics.

===================================
I'm using Arduino Mega. I tried to find specific topic about this and can't find any.
The target is actually send and receive MIDI, then replace the whole Arduino Mega to ESP8266 (probably the ESP-01, or Wemos D1), but I'm afraid it is too specific.
Here's the code so far on PasteBin
The diodes were replaced with LED, because I don't have one Original guide here. But that schematics on that thread also didn't work for some reason.




