I'll try and take you through the complete basics of LED's etc.
As 4-digit 7-segment displays are a combination of multiple "LED techniques".
Wiring LED's
LED's, or Light Emitting Diodes, are one of the fun things of Arduino.
Essentially, they're easy to use, power them up and they'll light up.
They can be annoying, because they have some kind of polarity, meaning that they will only work when you wire them right. If you reverse positive and negative voltage, they won't light up at all.
Annoying as it is, it's also quite usefull.
Cathode vs Anode
On a traditional LED, the long lead is the (+), Anode.
The other lead being the (-) Cathode.
"Or, if someone’s trimmed the legs, try finding the flat edge on the LED’s outer casing. The pin nearest the flat edge will be the negative, cathode pin." - Sparkfun
Source: https://learn.sparkfun.com/tutorials/polarity/diode-and-led-polarity

Basic wiring
I'm not sure if this is correct, since I ripped the image from the internet.

Wiring an LED is quite easy, the Anode (+) connects to positive voltage, preferably through a current limiting resistor.
The Cathode (-) connects to ground (with a current limiting resistor, if you didn't have one on the positive side).
The current limiting resistor will avoid the LED from shorting out, damaging the LED or Microcontroller/Arduino.
Multiple LEDs, matrices, RGB leds
With multiple LED's you often have them with the positive side connected (+), "common Anode" or all connected to the (-) "common Cathode".
Basically it'll come down to this.

For a common cathode, you supply current to the pins that you want to have on.
For a common anode, you sink the current through the LED.
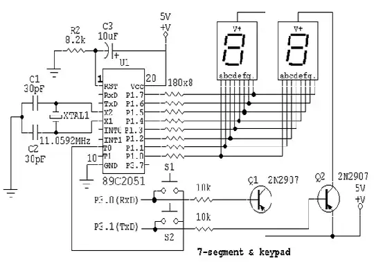
Multiplexing (multiple digit, 7-segments)
You should check out the tutorial of parallax: http://learn.parallax.com/4-digit-7-segment-led-display-arduino-demo

When you've got a lot of LED's, it's often smart to "multiplex" them. Usually you go through "groups" of LED's rapidly, so that it looks like they're all on at the same time.
Usually you sink current from a column of LED's and supply current to individual LED's of a row.
Or, you supply current to a column of LED's and sink current from individual LED's of a row.
So that you can choose which column to activate, and which LED's of that column to light up. Changing these columns/rows rapidly will enable you to control multiple LED's with a lot less pins.
There even are display controllers for this, if you don't want to take care of the switching in your software.
So when you have a 4 digit, multiplexed 7 segment, common anode
The diagram will be more like this:

http://www.mytutorialcafe.com/Microcontroller%20Application%20C%207segmen.htm