I'm wondering if there are free programs or web sites that let you draw simple schematics similar to this example:
4 Answers
A compilation of possibilities mentioned the comments. I'll add to this as I try out the suggestions.
From @Gerben, "kind of in order of complexity":
circuitlab.com - online schematic capture and simulator (analog, digital, and mixed signal). Licensed for professional, student/educator, and hobbyist (free) usage. Officially runs in Chrome and Firefox, and they report users having success with Safari and Opera which are not officially supported.
Fritzing - cross-platform (Mac, Windows, Linux). Has Breadboard View mode with built in Arduino support that allows you to create diagrams like this one:
From there you can click on the Schematic view to route wires and convert the breadboard into a traditional schematic.
CircuitMaker - Windows only, requires creating an account.
Eagle - cross-platform (Mac, Windows, Linux), paid and free versions.
Component library collections (thanks to Marko Mackic for the idea):
- Adafruit
- Element14 Arduino library - requires registration, lots of other libraries as well
- Sparkfun
KiCad - cross-platform (Mac, Linux (with packages for several distributions), Windows, and source code), open source and also on GitHub.
Found Autodesk's 123D Circuits in a question on Arduino Simulators (and emulators).
I've been using ExpressSCH (Express Schematic) from: http://www.expresspcb.com/
That is a free install for Windows and is pretty easy to use.
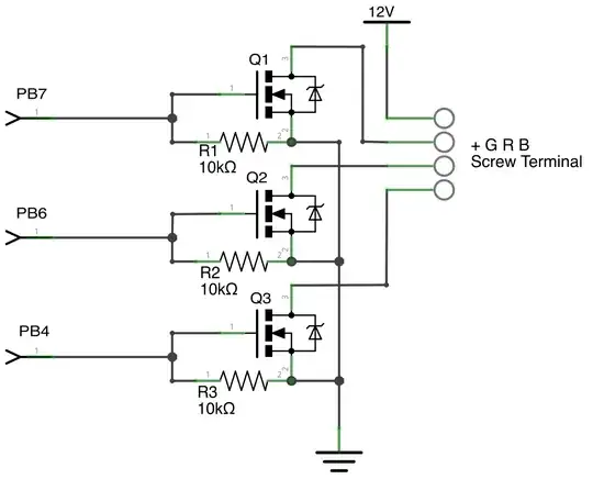
Example of its output:
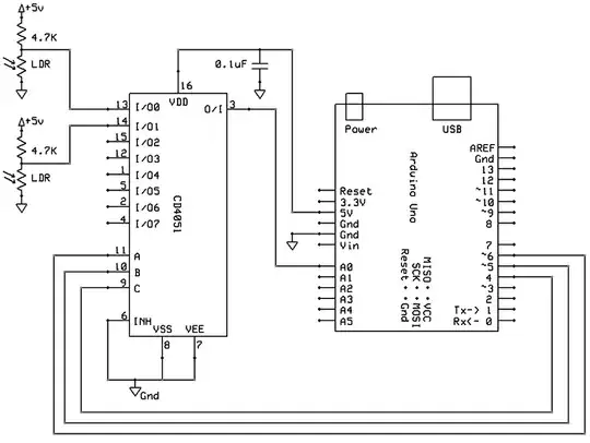
It comes with quite a few symbols defined, and you can easily make your own extra ones (like the Uno I did in the schematic above).
- 38,901
- 13
- 69
- 125
Myself, I prefer to use Eagle, and download Sparkfun and Adafruit libraries for components based around Arduino. There you can create schematics, and create PCB layouts too.
- 3,152
- 7
- 36
- 48
- 137
- 3
There are many cicuit drawing softwares available on the internet. Besides the softwares mentioned above, I would like to recommend EasyEDA editor.
It’s a free, web-based EDA suite, you can use it without installing anything.
Mac, Linux, Windows and Android,All platforms supported.
EasyEDA has simple but powerful drawing capabilities, it’s part library is quite massive and there is plenty of parts to pick from. Users can create their own symbols and footprints either by copying existing ones into My Parts then editing and saving them or by drawing them from scratch.
For example, here is a simple 555 circuit.
- 11
- 1



