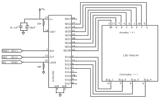
I have a max7219 driving an 8 digit 7 segment LED array with forward current of 20mA and typical forward voltage of 1.85V. I'm trying to power this through my arduino UNO (which itself is drawing power from USB), and have the max7219 chip's +5V and ISet(+resistor) and ground pins connected to the respective pins on the arduino. When I try to plug this in, the arduino will not power up, but removing the jumpers from +5V and GND allows the arduino to power up.
I have confirmed with my multimeter that there is no short between any of the power cables on my led circuit.
The voltage supplied by the arduino works normally if I connect it up to a simple resistor and led on a breadboard.
The voltage across the +5V & GND pins on the arduino drops from 5V to 0V if the jumpers are inserted whilst the arduino is powered up.
I thought perhaps the circuit was trying to draw too much power from the USB, so tried higher resistor values than my initial resistor (20K), to no effect.
What else could be causing this?

