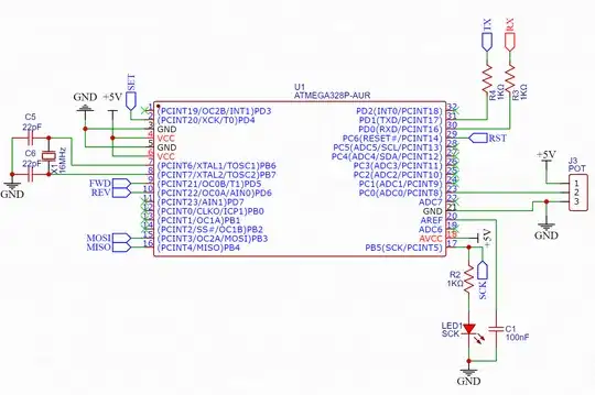
I have a 328P (328P-AUR to be specific, [link]), and in the schematic below is how I've implemented it to a PCB:
Uploading a program works fine, but I hink there is an issue with the clock source, since the programs seem to run too slow, and timing-critical protocols like the hardware UART/Serial transmits at only 16th of it's intended baudrate. This is the program I'm testing the serial with:
void setup() {
Serial.begin(9600);
}
uint8_t count = 0;
void loop() {
Serial.print("Num:");
Serial.println(count++);
delay(1000);
}
So in the case of Serial.begin(9600); here, the microcontroller actually transmits at only 600 bauds, or in the case of Serial.begin(115200);, the actual transmission rate is only 7200.
I'm currently using an Arduino Uno with the "Arduino as ISP" programming mode, but this method doesn't allow me to set any of the fuses in the 328P... I do have a dedicated ICSP programmer that only works on Microchip studio, which I could try to do this with, but I'm not certain of the fuse value i'd have to set for it to work correctly with the 16MHz external crystal I have connected to the 328P.
Is there anythwing wrong with my design, or is this just a limitation when uploading with Arduino IDE? If so, what values do I configre the fuses with for this hardware?
