1

I have a linear actuator that has 4 cables coming out, which I can control with the following connections:

red + blue and black ⚫ + ⚪ white is going outside

red + ⚪ white and black ⚫ + blue is going inside

There is around 29 V going through those cables.

I also have L298N dual bridge DC and stepper motor controller board.

https://cdn.velleman.eu/downloads/25/wpi409a4v01.pdf

enter image description here

enter image description here

source: https://cdn.velleman.eu/downloads/29/infosheets/vma409-schematic.pdf

Is it possible to use this to drive the linear actuator?

rzickler
  • 133
  • 1
  • 1
  • 7
clankill3r
  • 229
  • 2
  • 8
  • 12

1 Answers1

0

Your post is missing quite a bit of information (mainly the pinout & current requirement information), but I am going to answer it best I can with what is available.

Is it possible to use this to drive the linear actuator?

Maybe, it would depend on the voltage and current rating of the linear actuator you are using.

If the specs are within range, then yes.

The L298N can operate at a max voltage of 46V and provide a max current of 2A per channel.

The operating voltage of 29V as per your post is within specs of the L298N, the question comes down to the current requirement for the linear actuator.

Connections & Wiring:

Assumption:

The pinout is as follows:

  • Red - VCC
  • Blue - Direction 1
  • White⚪ - Direction 2
  • Black⚫ - GND

General Connections:

  • Red - VCC - Connect to VMS on the L298N board & Positive of your Power supply
  • Black⚫ - GND - Connect to GND & negative of your Power supply

Scenario 1: Actuator requires <2A

In this scenario, you are able to drive the actuator using just one of your output pairs and the connections are straightforward.

  • Blue - Direction 1 - Connect to 1st pin of Motor A
  • White⚪ - Direction 2 - Connect to 2nd pin of Motor A

Scenario 2: Actuator requires >2A & <4A

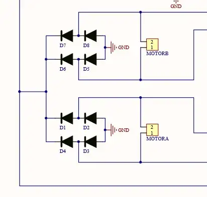
In this scenario, you will need to use both the motor outputs from the L298N to power the actuator to ensure that we are able to provide the required current

  • Blue - Direction 1 - Connect to 1st pin of Motor A & Motor B
  • White⚪ - Direction 2 - Connect to 2nd pin of Motor A & Motor B

Controlling the motor using an Arduino:

You can follow the sample code provided in the user manual for this.

Note: In the case of scenario 2, remember that IN1 & IN3 should be driven the same value and the same goes for IN2 & IN4. If you get this wrong, you can possibly fry your motor driver board.

i.e:

If IN1 is HIGH, then so should IN3 If IN2 is LOW, then so should IN4

or in other words

If IN1 is HIGH and IN3 is LOW you can cause a shortcircuit and destroy your motor driver.

evolutionizer
  • 435
  • 2
  • 7