I am just beginning my journey into the Arduino world - plenty of development experience, but basically nothing with electronics outside of building computers.
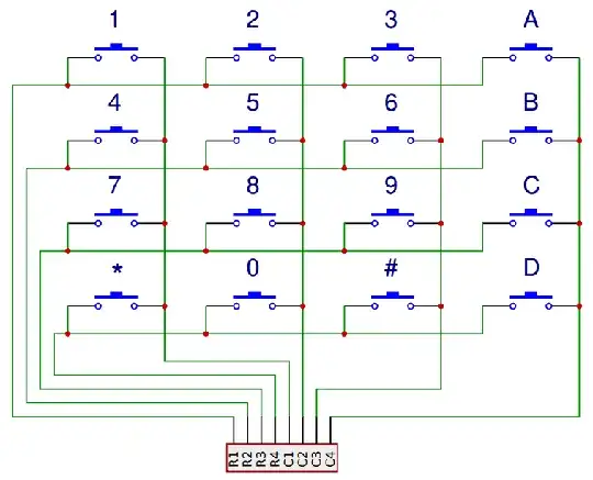
The question I have involves wiring schematics - specifically for a button matrix, but it does apply more broadly. Using this diagram and Fritzing mapping, I see numerous buttons connected to each other - presumably via soldering:
My question is, can you use wire nuts (or, more specifically multi-slot lever connectors) such as these to simplify the connection process?
I apologize in advance if this seems obvious, but I get lost trying to understand how to connect this stuff because I'm so new to it all.
Thanks in advance!




