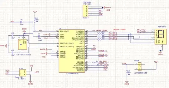
I am using schematic of Arduino Pro mini 3.3v/8 MHz version. Please see below circuit diagram I built.

Power supply to circuit is 3.3V.
I have a USB ASP programmer which I used in previous version of same circuit running at 5V/16MHz. It was working fine.
It is connected to board like this.

I want to burn bootloader in this controller so that I can use with arduino IDE. I have done following settings.

When I connect USBASP to PC (Windows 10), in device manager, I see the USBASP. Driver installed through Zadig.
When I click Tools --> Burn Bootloader in arduino IDE , I get this error
avrdude: error: program enable: target doesn't answer. 1
avrdude: initialization failed, rc=-1
Double check connections and try again, or use -F to override
this check.
Error while burning bootloader.
What I have tried: 1 - Changed firmware of USBASP to official fishl.de website.
2 - Put JP3 on USBASP.
3 - Changed driver of USBASP from libusb-k to libusb-win32 from Zadig. Error changes to
Arduino: 1.8.15 (Windows 10), Board: "Arduino Pro or Pro Mini, ATmega328P (3.3V, 8 MHz)"
avrdude: warning: cannot set sck period. please check for usbasp firmware update.
avrdude: error: program enable: target doesn't answer. 1
avrdude: initialization failed, rc=-1
Double check connections and try again, or use -F to override
this check.
4 - Replaced microcontroller from some other board to this board.
5 - Checked voltage on 8 MHz crsytal pins of controller. 3.12V and 3.28V. Cant see wave on oscilloscope.
Nothing works. Same error. I was hopeful that maybe atemga328 is faulty but even after changing it, it doesnt work and I cant burn bootloader and get same error.
Can this be due to crystal capacitor values of 10 pF instead of 20pF? (I chose 10nF after reading datasheet carefully).
Any ideas why this problem?

