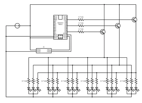
Below is the small RGB LED circuit I'm trying to build. My question is why are the 3 transistors necessary, and can I not link the LEDs directly?
3 Answers
The port pins of your Nano can deliver current in a quite limited range, and six LEDs need a lot more to shine brightly. The transistors are amplifying the available current.
However, 4k7 resistors in series with each LED will not allow enough current to let them shine well. Reduce the resistors by a factor of at least 10. Read the LEDs' data sheet and apply Ohm's law.
- 2,408
- 9
- 18
The transistors are connected as an emitter follower, not as a switch. The transistors are acting as current amplifiers. The emitter voltage will rise to approximately the voltage on its base - about 0.7V. That places the voltage at about (5 - 0.7 = 4.3V) at the emitter. Since the collectors of transistors are powered by Vin I would guess you have at least 6 volts available assuming a 5V Nano so the extra voltage drop across the transistors will be dissipated as heat. The base resistors are not needed but should not affect performance much. The available current at the emitter would be the Hfe of the transistor times the base current. Each LED will consume about 2 milliamps making the load on each of the transistor around 12 milliamps. It should work fine. You can divide the 12 milliamps of the LEDs by the Hfe of the transistor to get the base load.
- 1,863
- 9
- 17
Each LED consumes up to 20mA and You are using three LEDs at each I/O port in Arduino Nano. In other word, each part consumes 120mA.
The important thing is Arduino Nano I/O provides 20mA at maximum. So if you want to control 120mA by I/O ports, you must use transistor to support huge current.
Transistor can afford current up to 500mA.
- 47
- 3
