1

I'm converting a 0-5v PWM signal to an analog signal using an LM358D. I've connected the output to an oscilloscope to look at the signal but I'm not really sure what I'm looking at. The PWM looks ok but I'm unsure of the analog signal.

Here's some images, please let me know what you think.

Both pics are at 50% signal strength. The oscilloscope is set to defaults, simply connected the probe.

Thanks

Text

Text

EDIT:

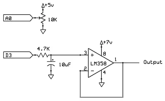
Here's the schematic for the PWM to analog converter. The cap is a tantalum. The dip switch changes the analog from 5v to 10v, the signal looks the same on both and is correct voltage so seems to be ok?

Text

tryingHard
  • 19
  • 3

2 Answers2

1

Something like this should work:

PWM to analog circuit

With this code on a Uno:

void setup () { }

void loop () { analogWrite (3, analogRead (A0) / 4); }

For slightly more details see my post about doing that.

Nick Gammon
  • 38,901
  • 13
  • 69
  • 125
1

The PWM looks ok but I'm unsure of the analog signal.

The “analog signal” looks like the PWM smoothed by a first-order low-pass filter. It still has some oscillations, 584 mV peak-to-peak. If you can tolerate that, then it's perfectly fine. If not, then increase the time constant of your filter.

A first-order low-pass filter behaves, in its stop band, like an integrator. Thus, a square signal is turned into a triangle. You are seeing exactly the expected behavior.

The oscilloscope is set to defaults

There are no “default” settings in the oscilloscope. You probably used the “autoset” button instead. This button tries to find some settings that let you see something on the screen. I mean, some kind of signal, not just straight line. If the signal is almost flat, the autoset will increase the gain until you can see it is not flat. In this case, it increased the gain by a factor 10 (200 mV / division instead of 2 V used previously). It also added a negative offset in order to avoid the trace going out of the screen. See the small pentagon on the far left with a “1” inside? On the first picture this tells you where the zero (the reference potential) is relative to your signal. On the second picture, the polygon pointing at the bottom of the chart tells you the zero is off-scale.

If you want to really appreciate the smoothing action of the filter, you have to look at its input (the PWM signal) and its output (the “analog” signal) using the exact same settings. Connect the input, hit “autoset”, and look. Then connect the output, do not change the settings (do not hit “autoset”) and look at the output.

Better yet: forget the autoset button, adjust the settings manually and mind their values.

Better yet: as you have a two channel scope, display both signals simultaneously, using the exact same settings on both channels.

Edgar Bonet
  • 45,094
  • 4
  • 42
  • 81