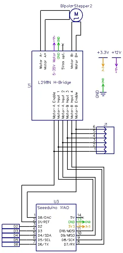
The H-bridge module uses TTL compatible logic, but the chip allows these values (based on the L298N data sheet):
| Symbol | Parameter | Min. | Max. |
|---|---|---|---|
| ViL | Input Low Voltage (pin 5, 7, 10, and 12) | -0.3 V | 1.5 V |
| ViH | Input High Voltage (pin 5, 7, 10, and 12) | 2.3 V | VSS |
Am I correct to assume that I do not need to step-up the logic signal (from 3.3 V to 5 V) for this to work, but can I connect straight to the input?
Schematic in mind:
