I'm working on building an LED matrix and I'm using an LED strip to create it. I've worked through a simple wiring setup using my bench top power supply and got a strip test working.
Now that I have the actual fabrication done I want to move the power from my bench top supply to a regular wall adapter supply.
The problem I'm running into is that when I provide power from the wall supply the led strip no longer gets the data from the signal pin.While troubleshooting I connected my multimeter to the signal pin and all of a sudden the strip's first LED got the signals and started lighting up.
I'm assuming I'm running into an impedance issue, but I'm not sure why or how to solve it other than trying different resistor values on the signal pin to overcome the issue.
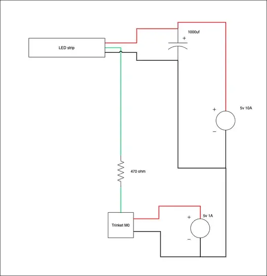
Here's a rough diagram. there's not a lot to it:
I couldn't find info on the forward voltage of the strip or a datasheet for it, so I turned all of the LEDs white and looked at the current draw on my bench top supply:
So the whole matrix is pulling 1.5 amps.
The trinket M0's GPIO voltage is 3.3v, so if I'm thinking about this right to figure out the resistor I need I would use ohms law:
r = V/I
So in my case:
r = 3.3/1.5 = 2.2ohm
Is that right? While I know some I still feel like a novice and I'm working alone and teaching myself, so I'm not sure if I'm thinking of everything correctly.
I also shot a video showing what's happening if that helps: https://vimeo.com/496062949
UPDATE
And actually to simplify things further, I just tried moving the trinket over to the external power supply as well and I get the same issue.
So even with this diagram:
Update
A closer look at the all-on-the-wall-adapter circuit:



