I fried 2 MKR Wifi 1010 after powering them using a solar panel.
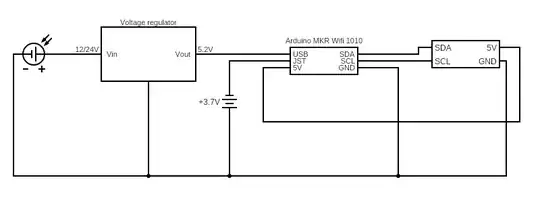
Here is the diagram:
Both were working fine as long as I used the LiPo battery and/or my macbook (using USB) as power sources. They were correctly detected and I could upload sketches.
Once I plugged the Solar panel + Voltage regulator to the MicroUSB port of the arduino and waited for the solar panel to be selected as the power source by the board, then it would not be recognized by the IDE anymore.
First board is not recognized by MacOS and Arduino IDE. Double tap Reset button has no effect on the "L" LED that remains turned off.
Second board is recognized by MacOS (By looking at System Information > USB) but not by Arduino IDE. When it is powered up, CHRG blinks a few seconds, then "L" LED pulses indefinitely. Double tap Reset button just turns off the LED while the button is pressed, but goes back to pulsing on release.
The sensor connected to the I2C pins is able to deal with both 3.3V and 5V, so it should work when getting 5V from USB and 3.3V from battery.
What could have damaged these 2 boards ?
Edit:
The voltage regulator operates at DC 9V - 36V (not sure why it is also labelled as 24V/12V) and outputs 5.2V / 6A. I measured the output voltage once when the sun was hitting the panel and it was 5.2V.
The full product description is available at https://www.jzk-jzk.com/products/24v-12v-to-5v-5a-power-buck-module-dc-dc-step-down-power-supply-converter-with-led
