SOLVED! See bottom.
I know this question has been asked a lot (believe me, I've been Googling for solutions for 3 days, and have come across many posts on SE), but none of the posts I've found have solved my issue. Much of the problem, I think, is many of the solutions are several years old and discuss options either no longer available in the IDE, or no longer valid for the hardware.
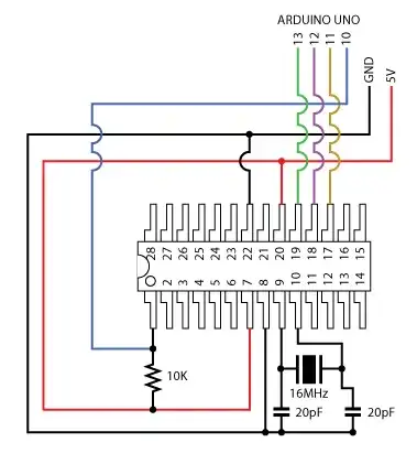
I have an ATmega328P-PU on a breadboard. Largely following this guide, I hooked it up like this in order to burn the bootloader.
I uploaded the "Arduino ISP" sketch from Examples to my Uno, and selected "Arduino as ISP" as the programmer. I tried selecting "Arduino Duemilanove or Nano w/ ATmega328" from the boards menu (per the guide), but the option no longer exists in standard install of IDE v.1.8.13. I tried "Arduino Duemilanove or Diecimila", as well as "Arduino Nano" as boards, both with "ATmega328P" as the processor (and, in the case of Arduino Nano, also tried "ATmega328P (Old bootloader)", as mentioned several times). All failed.
I finally found a reference to the MiniCore board library, installed it, selected "ATmega328", with "External 16 MHz" for the clock, and was finally able to burn the bootloader.
C:\Program Files (x86)\Arduino\hardware\tools\avr/bin/avrdude -CC:\Users\<username>\AppData\Local\Arduino15\packages\MiniCore\hardware\avr\2.0.8/avrdude.conf -v -patmega328p -cstk500v1 -PCOM3 -b19200 -e -Ulock:w:0x3f:m -Uefuse:w:0b11111101:m -Uhfuse:w:0b11011110:m -Ulfuse:w:0b11110111:m
avrdude: Version 6.3-20190619
Copyright (c) 2000-2005 Brian Dean, http://www.bdmicro.com/
Copyright (c) 2007-2014 Joerg Wunsch
System wide configuration file is "C:\Users\<username>\AppData\Local\Arduino15\packages\MiniCore\hardware\avr\2.0.8/avrdude.conf"
Using Port : COM3
Using Programmer : stk500v1
Overriding Baud Rate : 19200
AVR Part : ATmega328P
Chip Erase delay : 9000 us
PAGEL : PD7
BS2 : PC2
RESET disposition : dedicated
RETRY pulse : SCK
serial program mode : yes
parallel program mode : yes
Timeout : 200
StabDelay : 100
CmdexeDelay : 25
SyncLoops : 32
ByteDelay : 0
PollIndex : 3
PollValue : 0x53
Memory Detail :
Block Poll Page Polled
Memory Type Mode Delay Size Indx Paged Size Size #Pages MinW MaxW ReadBack
----------- ---- ----- ----- ---- ------ ------ ---- ------ ----- ----- ---------
eeprom 65 20 4 0 no 1024 4 0 3600 3600 0xff 0xff
flash 65 6 128 0 yes 32768 128 256 4500 4500 0xff 0xff
lfuse 0 0 0 0 no 1 0 0 4500 4500 0x00 0x00
hfuse 0 0 0 0 no 1 0 0 4500 4500 0x00 0x00
efuse 0 0 0 0 no 1 0 0 4500 4500 0x00 0x00
lock 0 0 0 0 no 1 0 0 4500 4500 0x00 0x00
calibration 0 0 0 0 no 1 0 0 0 0 0x00 0x00
signature 0 0 0 0 no 3 0 0 0 0 0x00 0x00
Programmer Type : STK500
Description : Atmel STK500 Version 1.x firmware
Hardware Version: 2
Firmware Version: 1.18
Topcard : Unknown
Vtarget : 0.0 V
Varef : 0.0 V
Oscillator : Off
SCK period : 0.1 us
avrdude: AVR device initialized and ready to accept instructions
Reading | ################################################## | 100% 0.04s
avrdude: Device signature = 0x1e950f (probably m328p)
avrdude: erasing chip
avrdude: reading input file "0x3f"
avrdude: writing lock (1 bytes):
Writing | ################################################## | 100% 0.02s
avrdude: 1 bytes of lock written
avrdude: verifying lock memory against 0x3f:
avrdude: load data lock data from input file 0x3f:
avrdude: input file 0x3f contains 1 bytes
avrdude: reading on-chip lock data:
Reading | ################################################## | 100% 0.02s
avrdude: verifying ...
avrdude: 1 bytes of lock verified
avrdude: reading input file "0b11111101"
avrdude: writing efuse (1 bytes):
Writing | ################################################## | 100% 0.02s
avrdude: 1 bytes of efuse written
avrdude: verifying efuse memory against 0b11111101:
avrdude: load data efuse data from input file 0b11111101:
avrdude: input file 0b11111101 contains 1 bytes
avrdude: reading on-chip efuse data:
Reading | ################################################## | 100% 0.01s
avrdude: verifying ...
avrdude: 1 bytes of efuse verified
avrdude: reading input file "0b11011110"
avrdude: writing hfuse (1 bytes):
Writing | ################################################## | 100% 0.05s
avrdude: 1 bytes of hfuse written
avrdude: verifying hfuse memory against 0b11011110:
avrdude: load data hfuse data from input file 0b11011110:
avrdude: input file 0b11011110 contains 1 bytes
avrdude: reading on-chip hfuse data:
Reading | ################################################## | 100% 0.02s
avrdude: verifying ...
avrdude: 1 bytes of hfuse verified
avrdude: reading input file "0b11110111"
avrdude: writing lfuse (1 bytes):
Writing | ################################################## | 100% 0.05s
avrdude: 1 bytes of lfuse written
avrdude: verifying lfuse memory against 0b11110111:
avrdude: load data lfuse data from input file 0b11110111:
avrdude: input file 0b11110111 contains 1 bytes
avrdude: reading on-chip lfuse data:
Reading | ################################################## | 100% 0.02s
avrdude: verifying ...
avrdude: 1 bytes of lfuse verified
avrdude done. Thank you.
C:\Program Files (x86)\Arduino\hardware\tools\avr/bin/avrdude -CC:\Users<username>\AppData\Local\Arduino15\packages\MiniCore\hardware\avr\2.0.8/avrdude.conf -v -patmega328p -cstk500v1 -PCOM3 -b19200 -Uflash:w:C:\Users<username>\AppData\Local\Arduino15\packages\MiniCore\hardware\avr\2.0.8/bootloaders/optiboot_flash/bootloaders/atmega328p/16000000L/optiboot_flash_atmega328p_UART0_115200_16000000L_B5.hex:i -Ulock:w:0x0f:m
avrdude: Version 6.3-20190619
Copyright (c) 2000-2005 Brian Dean, http://www.bdmicro.com/
Copyright (c) 2007-2014 Joerg Wunsch
System wide configuration file is "C:\Users\<username>\AppData\Local\Arduino15\packages\MiniCore\hardware\avr\2.0.8/avrdude.conf"
Using Port : COM3
Using Programmer : stk500v1
Overriding Baud Rate : 19200
AVR Part : ATmega328P
Chip Erase delay : 9000 us
PAGEL : PD7
BS2 : PC2
RESET disposition : dedicated
RETRY pulse : SCK
serial program mode : yes
parallel program mode : yes
Timeout : 200
StabDelay : 100
CmdexeDelay : 25
SyncLoops : 32
ByteDelay : 0
PollIndex : 3
PollValue : 0x53
Memory Detail :
Block Poll Page Polled
Memory Type Mode Delay Size Indx Paged Size Size #Pages MinW MaxW ReadBack
----------- ---- ----- ----- ---- ------ ------ ---- ------ ----- ----- ---------
eeprom 65 20 4 0 no 1024 4 0 3600 3600 0xff 0xff
flash 65 6 128 0 yes 32768 128 256 4500 4500 0xff 0xff
lfuse 0 0 0 0 no 1 0 0 4500 4500 0x00 0x00
hfuse 0 0 0 0 no 1 0 0 4500 4500 0x00 0x00
efuse 0 0 0 0 no 1 0 0 4500 4500 0x00 0x00
lock 0 0 0 0 no 1 0 0 4500 4500 0x00 0x00
calibration 0 0 0 0 no 1 0 0 0 0 0x00 0x00
signature 0 0 0 0 no 3 0 0 0 0 0x00 0x00
Programmer Type : STK500
Description : Atmel STK500 Version 1.x firmware
Hardware Version: 2
Firmware Version: 1.18
Topcard : Unknown
Vtarget : 0.0 V
Varef : 0.0 V
Oscillator : Off
SCK period : 0.1 us
avrdude: AVR device initialized and ready to accept instructions
Reading | ################################################## | 100% 0.04s
avrdude: Device signature = 0x1e950f (probably m328p)
avrdude: NOTE: "flash" memory has been specified, an erase cycle will be performed
To disable this feature, specify the -D option.
avrdude: erasing chip
avrdude: reading input file "C:\Users<username>\AppData\Local\Arduino15\packages\MiniCore\hardware\avr\2.0.8/bootloaders/optiboot_flash/bootloaders/atmega328p/16000000L/optiboot_flash_atmega328p_UART0_115200_16000000L_B5.hex"
avrdude: writing flash (32768 bytes):
Writing | ################################################## | 100% -0.00s
avrdude: 32768 bytes of flash written
avrdude: verifying flash memory against C:\Users<username>\AppData\Local\Arduino15\packages\MiniCore\hardware\avr\2.0.8/bootloaders/optiboot_flash/bootloaders/atmega328p/16000000L/optiboot_flash_atmega328p_UART0_115200_16000000L_B5.hex:
avrdude: load data flash data from input file C:\Users<username>\AppData\Local\Arduino15\packages\MiniCore\hardware\avr\2.0.8/bootloaders/optiboot_flash/bootloaders/atmega328p/16000000L/optiboot_flash_atmega328p_UART0_115200_16000000L_B5.hex:
avrdude: input file C:\Users<username>\AppData\Local\Arduino15\packages\MiniCore\hardware\avr\2.0.8/bootloaders/optiboot_flash/bootloaders/atmega328p/16000000L/optiboot_flash_atmega328p_UART0_115200_16000000L_B5.hex contains 32768 bytes
avrdude: reading on-chip flash data:
Reading | ################################################## | 100% -0.00s
avrdude: verifying ...
avrdude: 32768 bytes of flash verified
avrdude: reading input file "0x0f"
avrdude: writing lock (1 bytes):
Writing | ################################################## | 100% 0.05s
avrdude: 1 bytes of lock written
avrdude: verifying lock memory against 0x0f:
avrdude: load data lock data from input file 0x0f:
avrdude: input file 0x0f contains 1 bytes
avrdude: reading on-chip lock data:
Reading | ################################################## | 100% 0.02s
avrdude: verifying ...
avrdude: 1 bytes of lock verified
avrdude done. Thank you.
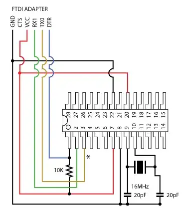
So I then reconfigured the breadboard. I do not have an Uno with a removable ATmega, so I am using an FTDI break-out board instead, wiring like so
Selected the same "ATmega328" from the MiniCore library (actually, I tried nearly every board on the list in desperation), and still get the "programmer is not responding" error until the IDE gives up.
Sketch uses 1030 bytes (3%) of program storage space. Maximum is 32256 bytes.
Global variables use 9 bytes (0%) of dynamic memory, leaving 2039 bytes for local variables. Maximum is 2048 bytes.
C:\Program Files (x86)\Arduino\hardware\tools\avr/bin/avrdude -CC:\Users\<username>\AppData\Local\Arduino15\packages\MiniCore\hardware\avr\2.0.8/avrdude.conf -v -patmega328p -carduino -PCOM7 -b115200 -D -Uflash:w:C:\Users\<username>\AppData\Local\Temp\arduino_build_929593/Blink.ino.hex:i
avrdude: Version 6.3-20190619
Copyright (c) 2000-2005 Brian Dean, http://www.bdmicro.com/
Copyright (c) 2007-2014 Joerg Wunsch
System wide configuration file is "C:\Users\<username>\AppData\Local\Arduino15\packages\MiniCore\hardware\avr\2.0.8/avrdude.conf"
Using Port : COM7
Using Programmer : arduino
Overriding Baud Rate : 115200
avrdude: stk500_recv(): programmer is not responding
avrdude: stk500_getsync() attempt 1 of 10: not in sync: resp=0x30
avrdude: stk500_recv(): programmer is not responding
avrdude: stk500_getsync() attempt 2 of 10: not in sync: resp=0x30
avrdude: stk500_recv(): programmer is not responding
avrdude: stk500_getsync() attempt 3 of 10: not in sync: resp=0x30
avrdude: stk500_recv(): programmer is not responding
avrdude: stk500_getsync() attempt 4 of 10: not in sync: resp=0x30
avrdude: stk500_recv(): programmer is not responding
avrdude: stk500_getsync() attempt 5 of 10: not in sync: resp=0x30
avrdude: stk500_recv(): programmer is not responding
avrdude: stk500_getsync() attempt 6 of 10: not in sync: resp=0x30
avrdude: stk500_recv(): programmer is not responding
avrdude: stk500_getsync() attempt 7 of 10: not in sync: resp=0x30
avrdude: stk500_recv(): programmer is not responding
avrdude: stk500_getsync() attempt 8 of 10: not in sync: resp=0x30
avrdude: stk500_recv(): programmer is not responding
avrdude: stk500_getsync() attempt 9 of 10: not in sync: resp=0x30
avrdude: stk500_recv(): programmer is not responding
avrdude: stk500_getsync() attempt 10 of 10: not in sync: resp=0x30
avrdude done. Thank you.
Problem uploading to board. See http://www.arduino.cc/en/Guide/Troubleshooting#upload for suggestions.
I've uninstalled and reinstalled the USB/FTDI drivers, I've tried two different FTDI boards, I've even tried the "Minimal Circuit" described in the guide (removing the oscillator, capacitors, and the pull-up resistor, and installed/selected the "ATmega328 on a breadboard" board), nothing seems to work. It also seemed odd that TX pin on the Arduino/FTDI was going the the TX pin on the ATmega, so I even tried switching TX and RX. Same error.
Also scrapped everything and tried following this video (and subsequent webpage guide), which makes it look so simple, with a 100nF capacitor in place of the pull-up resistor on the Mega's reset pin. Same error.
I'm truly at wit's end. Does anyone have any additional pointers that are current?
T(LOADS!)IA
EDIT: include photo of breadboard as requested.
EDIT #2: deleted resistor, added 100nF cap on DTR pin.
EDIT #3: updated wiring including cap and resistor on DTR
UPDATE: I solved the issue with lots of help from timemage. I had pulled the ATmega from another project that had already set the chip to use the 8MHz internal clock. So I had to rewire the board as the first schematic, with the 16MHz external crystal still installed, then re-burn the bootloader making sure to select "Internal 8MHz" from the Clock options of the MiniCore board. Once the bootloader was re-flashed, I could then re-wire the board according to the second schematic only with the 16MHz crystal and the 20nF caps removed, and the FTDI board was then able to upload sketches.
BIG shout out to timemage, who sat in chat with me for over an hour trying to figure it out.
UPDATE #2: the FTDI board I was using - the DFRobot USB2Serial Light (DFR0164) - actually has the pins mislabelled (or, rather, not labelled as expected). The TX pin actually does get wired to the TX pin of the ATMega, and the RX pin goes to the RX pin of the ATmega.




