I have an Arduino motor shield like this one plugged into my Mega board.

I would like to know some more information about the orange and white pin blocks on the board. The Arduino website has the following information, but it doesn't give any explanation of what is best to use them for or which pins are mapped to the data pins etc.
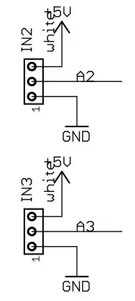
- TinkerKit connectors for two Analog Inputs (in white), connected to A2 and A3.
- TinkerKit connectors for two Aanlog Outputs (in orange in the middle), connected to PWM outputs on pins D5 and D6.
- TinkerKit connectors for the TWI interface (in white with 4 pins), one for input and the other one for output.
What I want to do is connect a servo up to the board and was hoping I could use one of the orange OUT blocks. I haven't been successful in finding any examples of this which leaves me in doubt as to whether it is possible or not. I would just plug it in, but I'm afraid of frying the shield/mega/servo. Probably an irrational fear, but I can't afford another one of any at the moment!
I don't know which pins in the block are assigned to the data, vcc and out, so if anyone know I would be grateful for the answer.
Also, just because it is annoying not to understand, what are the TWI connectors for?
I hope this isn't too general a question as I could really use some answers!




