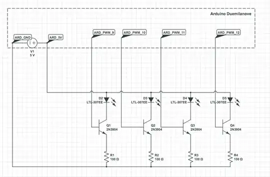
I want to control 4 (or more) LEDs using the PWM output pins of my Arduino.
Here is how I have it on a breadboard, and it's working for me.
Question:
Is this schematic inefficient? Are there any issues with this design?
I want to control 4 (or more) LEDs using the PWM output pins of my Arduino.
Here is how I have it on a breadboard, and it's working for me.
Question:
Is this schematic inefficient? Are there any issues with this design?