I would also connect the terminals to the 6 analog input pins and have 6 unique voltages, one per wire. The Arduino will only provide the output when the 6 wires are placed on the correct terminals. In other words, that is when the Arduino sees the correct analog voltage on the respective pins.
I personally would add a RC Low pass filter to the output of the PWMs. More information here. Your PWM output would go into the Vin and the then the Vout would go to your wire (ie the analog input). One filter per channel.

The RC filter will protect the Arduino from shorts to +ve, Gnd and the other pins as well as providing a bit of protection from static. It will also simplify your code.
At the moment you are having to implement fancy code to average out the voltage on those analog pins. The RC filter would essentially make that code not needed.
To calculate the value of the resistor and capacitor you need:
There is a very good article over at All About Circuits that goes into this subject in detail.
To calculate the value we need to know the frequency:
The frequency of the PWM signal on most pins is approximately 490 Hz. On the Uno and similar boards, pins 5 and 6 have a frequency of approximately 980 Hz. - Arduino Analog Write
I used http://sim.okawa-denshi.jp/en/PWMtool.php to calculate the values of R & C needed with a very low ripple ( < 60mV ) using common values. I based my calculations around the 490Hz as the lower frequencies perform worst with low pass filters.
I suggest you use values of R = 10k and C = 4.7uF. You can play with these values until you get the output you desire.
One last thing I would consider is to put some protection on the terminals that connect to the analog pins. This could be a small resistance in series, or a 5.1V zener in parallel (the pin may already have this?) or some capacitance in parallel.
EDIT:
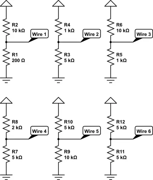
I have just had a brainwave - You don't need to use the PWM's to output the different analog values - you could use a voltage divider circuit instead. No RC filter needed. For example:

simulate this circuit – Schematic created using CircuitLab
Edit #2:
Jonathan Wrote:
The only minor downside I'm noticing is that if the user has two wires connected to the same terminal, it affects all the voltages read across the other terminals, making it hard to give the user incremental feedback on how many wires are correctly connected.
This can easily be solved by providing 6 individual voltage divider networks, as shown below. Notice how each voltage divider has a different ratio.

simulate this circuit