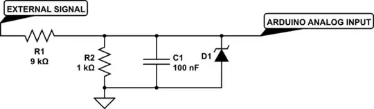
Usually a common way to protect an analog input consists on reducing voltage and current in the following way:
Current limiting components, as Resistors or inductors and voltage limiting components as diodes, zener, tvs.
In this case for components availability I have used two resistors and a zener diode.
The circuits aims to accept a 0-10V input and read it with the internal reference voltage 1,1V.
The question is the following: Assuming I want to use a 2,2V zener diode as overvoltage protection and 1,1V internal voltage reference, can I consider it safe or the 2,2V of zener will be too much for the 1,1V reference?

simulate this circuit – Schematic created using CircuitLab
NOTES: I am using 2,2V zener diode because is the smallest size I can found. I could use two normal diodes to reach 1,4V but maybe it will be too much for 1,1V reference and the result could be the same. I could also add an external reference, but I would like to know if I can have problems with this configuration.