I found hundreds of questions about display not working with arduino. However, no matter how trivial this looks like I am having the same problem I cannot understand by reading the other posts.
I have an Arduino micro connected to a display from the adafruit kit
RGB LCD SHIELD KIT W/ 16X2 CHARACTER DISPLAY
I haven't been able to understand whether positive or negative, but I think from the picture is RGB positive.
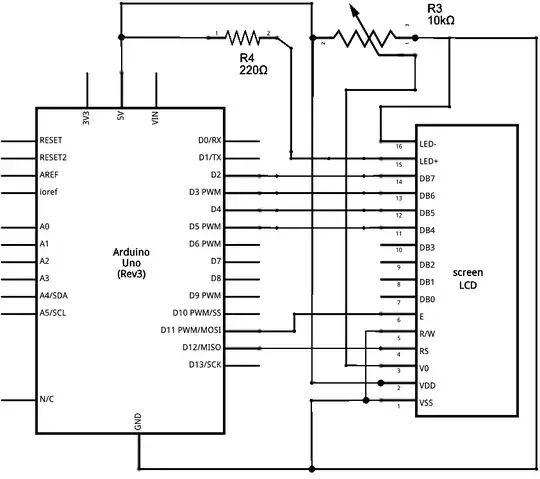
I have connected everything as shown in the diagram in this page:
Obviously changing the pins as I have
RS at 8
E at 7
d4 = 12
d5 = 11
d6 = 10
d7 = 9;
The potentiometer changes the contrast, if I saturate it I can see the black boxes.
In the code put this as
const int rs = 8, en = 7, d4 = 12, d5 = 11, d6 = 10, d7 = 9;
LiquidCrystal lcd(rs, en, d4, d5, d6, d7);
I checked with the multimeter whether the soldering is good and it carries the signal at the end of the wires.
and the rest as the example in the link,
This is my mess (please ignore the other arduino and the thermocople which is not connected, the other orange wire goes to GND of the Arduino).
Any ideas that might help?


