With your final comment, the behavior is understandable. The schematic will help

You have wired two devices to the single UART on the processor.
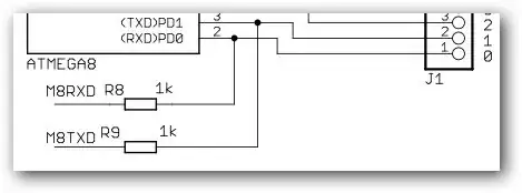
The TX pin (output) on the ATMEGA8 is connected to the input pins of both your MAX2323 and the FT232 chip on the Ardiuno. That works okay because 1 output pin can easily drive 2 inputs.
The RX pin (input) on the ATMEGA8 is connected to the output pins of both your MAX and FT. The two transceivers are both attempting to drive the single input -- this is a bad thing. When one output pin tries to drive logic 1 and the other is driving logic 0, one of the devices will win and one will lose. Whether any of the devices is physically damaged depends on whether one device can source enough current to damage the other.
But you haven't broken anything because of the wise series resistors, R8, you see on the schematic. The series resistor limits the current to 5 mA even if you short the RX pin to ground. The series resistor is what creates the unequal behavior:
The ability of the FT chip to source current and drive a logic 1 is limited. So when the FT chip tries to drive logic 1 and the MAX is output 0, a 5 V drop will be seen across R8. The RX pin is on the MAX side, so the Arduino sees 0.
The MAX chip is not limited. When it drives 1 and the FT is at 0 there is still 5 V across the resistor. But the RX pin is on the MAX side and sees the 1's (data).
If you want the Arduino to receive from two devices you need to "add" the data correctly with a circuit. There are several ways, here are two:
Use an OR gate to combine the data. The serial bus is idle at zero. When data comes across it is a sequence of 1 bits. Remove R8 and connect the M8RXD side to the OR input. Connect the MAX to the other OR input. Connect the OR output to the RX input.
Cheap and small is "wire or'd". Remove R8 and replace with small diode, pointing at RX. Connect small pull down resistor (10k) from RX to ground. Connect external MAX with diode pointing at RX. In this arrangement, either chip will source current towards the RX ping to drive a logic 1, but neither chip can sink current to drive the logic 0. Only the pull down resistor creates the 0.