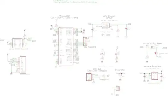
I built a custom arduino based board (speciffically based off of Sparkfun's Pro Micro 3.3V 8Mhz and their Qduino mini boards) that uses the ATMega32u4-RC.
The board I built integrated an acceleromter (LSM6DS3) and a micro-SD card holder, and eleminated any uneeded GPIO. (This is basically a datalogger board for the LSM6DS3 accelerometer). It also inlcudes a usb-powered LIPO charging circuit, which is copied from the qduino mini.
A picture of the board I built, with power LED indicating life.

The problem I am experiencing is that, after apparently sucessfull upload of the bootloader (I've tried the bootloader for the qduino mini, promicro 3.3v 8Mhz, even the Leonardo), my computer will not reconize the board. I've exauhsted all the information about driver installation from the sources for the boards my board is based on, and still can't make windows recognize my custom board.
Specifically, I've tried using a multitude of signed and unsigned drivers (on Windows 10 and 7), and can not get windows to pick anything other than usbfilt.sys as the driver.
Any advice would be greatly appreciated!
Edit: Added Eagle Schematic below
