Sorry for having (again) a beginners question, but I was wondering something.
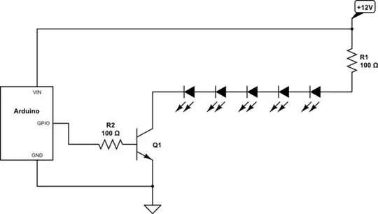
If I would want to drive like 20-30 LEDs from an Arduino (Uno), and I want to use an external adapter (12V, 1A), going into the Arduino, in what way I should drive the LEDs?
Problems I see:
- I cannot connect too many LEDs per pin (max 20mA per pin)
- I cannot connect too many LEDs per 'group' (I have to find out which pins are connected to what groups)
- I cannot connect too many LEDS in total because of the max. 200 mA per VCC/GND (there are 2 or 3 GNDs, so that should be ok)
- Using a relay/transistor etc, but how do I get the power? (there are also only 2 VCCs for 200 mA max)
So my basic question: how can I use the 1A from my adapter?
