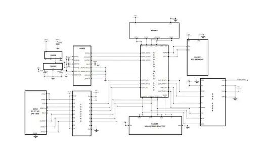
I have interfaced sd card and ADS1262 (ADC module) with Arduino mega board and sharing the SPI control pin i.e. SCK, MISO and MOSI. I have found that sd card is not initialized and ADS1262 is giving garbage value. Now if I remove the MISO pin of sd card then ADS1262 is giving right (although SD card is not initialized.) Vice-versa, if I remove the MISO pin of ADS1262, sd card is initialized and working perfectly (although ADS1262 is giving garbage value.)
Certainly, there is issue of MISO pin. How can I share MISO pin with both slaves so that both can work properly.
Any comments please.
I am using shifter - TXS0108E.
For SPI interfacing, I have tested two slaves with Mega board and found the below result when MISO is connected with both slaves and MISO pin is removing one by one from slaves.
From Above result, I thing it may be the problem of MISO pin.
I am not getting the idea, how to solve the problem in SPI interfacing in multiple slaves.
Schematic:

