9

I must not of understood something. Online, I've heard that the Arduino uses 9v typically (average), and that USB's in general supply 5v@500mA. If this is true:

  1. How can the Arduino even POWER ITSELF with the 5v USB? I've heard the minimum is 7v.
  2. How can there be a 5v pin if the USB supplies 5v... that leaves no room for the Arduino!

My understanding is very bad currently, any explanation would be great. Thanks!

Enric Blanco
  • 2,124
  • 1
  • 14
  • 25
Blake
  • 213
  • 1
  • 3
  • 7

6 Answers6

15

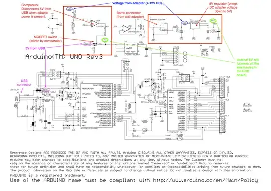
Actually, Arduino is powered at 5V (the 5V pin and the ATmega328p are connected to the +5V rail in the board). The point here is where do those 5V come from. Basically, from 2 possible sources:

  1. USB. The 5V line from USB is (or should be) already regulated, so it's feed directly (in fact it goes through a polyfuse) into the +5V rail of the board. The maximum current draw operating this way is 500 mA, limited by the polyfuse so you don't blow up your PC.

  2. Barrel connector (wall adapter). It accepts 7-12V and brings it down to 5V using a linear regulator whose output goes to the +5V rail of the board. The maximum current draw operating this way is 1,000 mA, limited by the regulator capability.

If both sources are present at the same time, preference is given to the wall adapter. The UNO board has circuitry that detects voltage from the adapter and disconnects (using a MOSFET switch) the USB 5V line from the +5V rail of the board.

This is done not only for convenience purposes (so you have more current available), but also for protection. Otherwise, you'd be connecting two power sources (+5V from the regulator and +5V from USB) which is a dangerous situation.

I have commented the UNO R3 schematics so you can see for yourself how it's done (both input sources, adapter voltage detection circuitry, etc.), see below.

Arduino UNO power supply

Enric Blanco
  • 2,124
  • 1
  • 14
  • 25
2

You might be mixing up voltage and ampereage. The Arduino takes in from 5volts up to 12, and uses a regulator to bring higher voltages down to 5V. Milliamps (mA) is the measure of what is drawn per circuit part. The Arduino itself only draws around 25 of these, which if running off of USB, leaves around 475mA that other things can draw.

BarrowWight
  • 139
  • 3
1

On a basic level, the 5v of the USB port is regulated by the power supply of the external device, be it a computer USB port or a USB type charging module. When you are using the power jack on the Arduino, you can provide a range of voltage, from 7v (recommended minimum) to as much as 20v. This input power passes through a voltage regulator to provide the regulated 5v necessary to operate the Arduino.

Voltage is not "used up" by the Arduino, but you may have little reserve power for additional devices which are tied into the 5v bus.

Consider that voltage can be viewed in a manner similar to water pressure, while current can be compared to the volume of water flowing. If you have a 1000 mA power supply and the Arduino uses 500 mA, you have still available 500mA at 5v for other uses.

You can experience voltage drop in a circuit, depending on the way components are connected. That's more advanced than necessary for this discussion.

This is a very basic overview and details will vary from one model Arduino to another.

Also note that one should not apply 5v to other pins marked 5v as it bypasses the regulator and can damage the board or other devices attached.

fred_dot_u
  • 723
  • 1
  • 4
  • 7
1

@enric blanco made a good description. I just point out the strange difference between USB (5V) and barrel connector (7-12V).

The barrel connector has to accept different power supplies (with different voltages), moreover they may need voltage regulation; thus arduino needs a "regulator" after the barrel connector. There are different composants that can do it. This simple one will provoke a minimal loss of voltage. That is why you have to input more than 5V.

There are other components (buck/boost) that could accept input voltage from 3V to 12V and always provide 5V as output, but they are more expensive (5$).

Arno Bozo
  • 111
  • 3
0

You can supply five 5V directly to the 5V pin, which is effectively what the USB interface does. The quoted 7 to 12V is only if you are using the power jack. That converts it down to 5V which is what the processor needs.

Nick Gammon
  • 38,901
  • 13
  • 69
  • 125
0

No, you don't have to input more than 5V at the raw pin while exactly 5V is output at the VCC pin (at least with the Pro Mini). How this is done I have no idea.