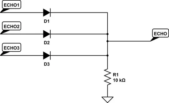
If I have four HC-SR04 detectors, can they share the same trigger pin on the Arduino? This would reduce the number of pins needed from eight to five.
Even if they can share the same trigger, maybe this doesn't make sense because the emitted signal from one HC-SR04 will give a false reading to the others. If this will occur, how much time should the sketch pause before triggering/reading the next HC-SR04?
Thanks.
