I plan to use Adafruit's RGB sensor with Arduino working as a RGB controller running on 5V. In my location, the 5V-compatible version of the sensor is not available.
There is a 3,3V pin on my Arduino board. Can I use it to power the sensor, or will the data pins (which are rated 5V) still burn it?
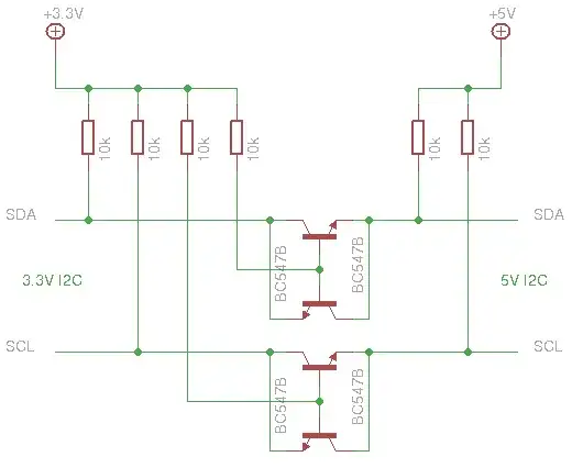
The TCS34725 chip uses I2C communication, which arguably would still be compatible with the 5V (http://playground.arduino.cc/Main/I2CBi-directionalLevelShifter)
I am still very new to the electronics, and I don't feel confident enough to build my own level converter, and sadly, no converters advertised on arduino.cc are available in my country (Poland).

