A datasheet for the HX711 is https://cdn.sparkfun.com/datasheets/Sensors/ForceFlex/hx711_english.pdf (On your board, it looks like E+ is AVDD and E- is AGND.)
Each of your two load cells could be a half-bridge of a wheatstone bridge, with excitation on the white and black, and sensing on the red like: 
I have a similar loadcell with the colors as Blue-Red-Black, (instead of White-Red-Black as above, or the Red-White-Black in your image) with my red sensing wire in the middle. The positive strain resistance (increasing resistance with increasing load) is between the Blue and Red, while the negative strain (decreasing resistance with decreasing load) is between the Red and the Black. The ~1000 ohm resistance in each leg changes by tenths of an ohm with hand pressure on the button, when the outer portion is supported, but the inner portion is not supported. Your cells do not have the bridge-button part that create a balanced twist along the center portion, so it might be hard to reliably apply a load your cell.
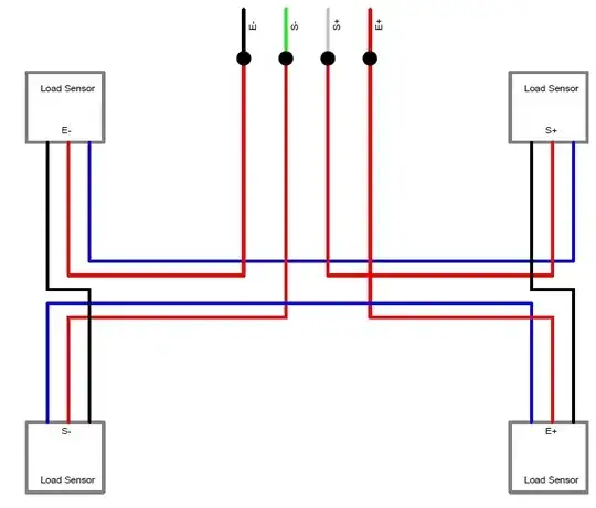
To make positive deflections of the cells combine to unbalance the Wheatstone bridge, wire one cell's white and black opposite to the other cell, and attach them to E+ and E-, with the reds connected to A+ and A- like this:
HX711.E+ : Cell1.White + Cell2.Black
HX711.E- : Cell1.Black + Cell2.White
HX711.A+ : Cell1.Red
Hx711.A- : Cell2.Red

The labelling on the schematic isn't quite right-- the "Reference 1K" are actually the negative-strain portions of the cells, and might be better labelled as "-Active 1k Ohm".
If it moves in the wrong direction/wrong sign with increasing force, switch the reds or multiply by -1.
If you have only one three-wire cell, use a couple 1K resistors, or a 2K potentiometer to balance the existing cell as the other half of the Wheatstone bridge. One issue with using discrete (10%, 5%, 1%?) resistors is that the precision and tolerances when configured as a voltage divider may produce a significantly different result as compared with the balance in a lead cell and its full-scale signal (+/-0.1%) in a loadcell. A the center tap of a potentiometer can provide for tuning to match the load cell voltage. For the HX711's 32x, 64x, or 128x gain, you need to keep the voltage differences between the sense terminals between +/-80mV, +/-40mV, or +/-20mV to stay within the limits of the HX711.
Per @wirewrap's comment, the colors on the wire could be different than the picture I posted. You can make certain by measuring the resistances between the wires and exciting on the pair with the greatest resistance, and sensing on the middle terminal.