Aquibacter

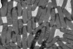
Transmission electron microscopic image of cells of Aquibacter zeaxanthinifaciens CC-AMZ-304 grown in full-strength marine broth for 48 hours.

Aquibacter
Scientific classification
Domain:
Phylum:
Class:
Order:
Family:
Genus:
Aquibacter

Hameed et al. 2014[1]
Type species
Aquibacter zeaxanthinifaciens[1]
Species

A. zeaxanthinifaciens[1]

Aquibacter is a genus from the family of Flavobacteriaceae, with one known species (Aquibacter zeaxanthinifaciens).[1][2]

References

  1. ^ a b c d Parte, A.C. "Aquibacter". LPSN.
  2. ^ "Aquibacter". www.uniprot.org.

Further reading

  • Hameed, A.; Shahina, M.; Lin, S.-Y.; Lai, W.-A.; Hsu, Y.-H.; Liu, Y.-C.; Young, C.-C. (18 September 2013). "Aquibacter zeaxanthinifaciens gen. nov., sp. nov., a zeaxanthin-producing bacterium of the family Flavobacteriaceae isolated from surface seawater, and emended descriptions of the genera Aestuariibaculum and Gaetbulibacter". International Journal of Systematic and Evolutionary Microbiology. 64 (Pt 1): 138–145. doi:10.1099/ijs.0.052621-0. PMID 24048868.